LC系列立式长轴涡轮泵
LC系列立式长轴涡轮泵是湖南立佳机械引进国际知名企业立式长轴涡轮泵水力模型,结合国内立式长轴涡轮泵使用过程出现的问题,研发出适合各种环境下使用的立式长轴涡轮泵,适合输送清水和含一定固体颗粒(如铁屑、砂粒、煤粉等)的污水、具腐蚀性工业废水、海水;输送液体温度不超过80℃。广泛用于原生水处理厂,污水处理厂,冶金钢铁行业(特别是该行业漩流池输送氧化铁皮水)、电厂、矿山、市政工程及农田水利工程。该系列产品经过众多用户实际使用证明性能可靠,运行平稳,各指标符合国家标准!

LC型立式长轴涡轮泵型号说明:
400LC-62AX2-L
400 —— 泵出口直径为400mm
LC —— 立式长轴透平泵
2 —— 叶轮级数为2(级数为1时略)
62 —— 未切割时单级设计点扬程为90m
A —— 叶轮外径切割代号
L —— 液下深度m(L≤18m)
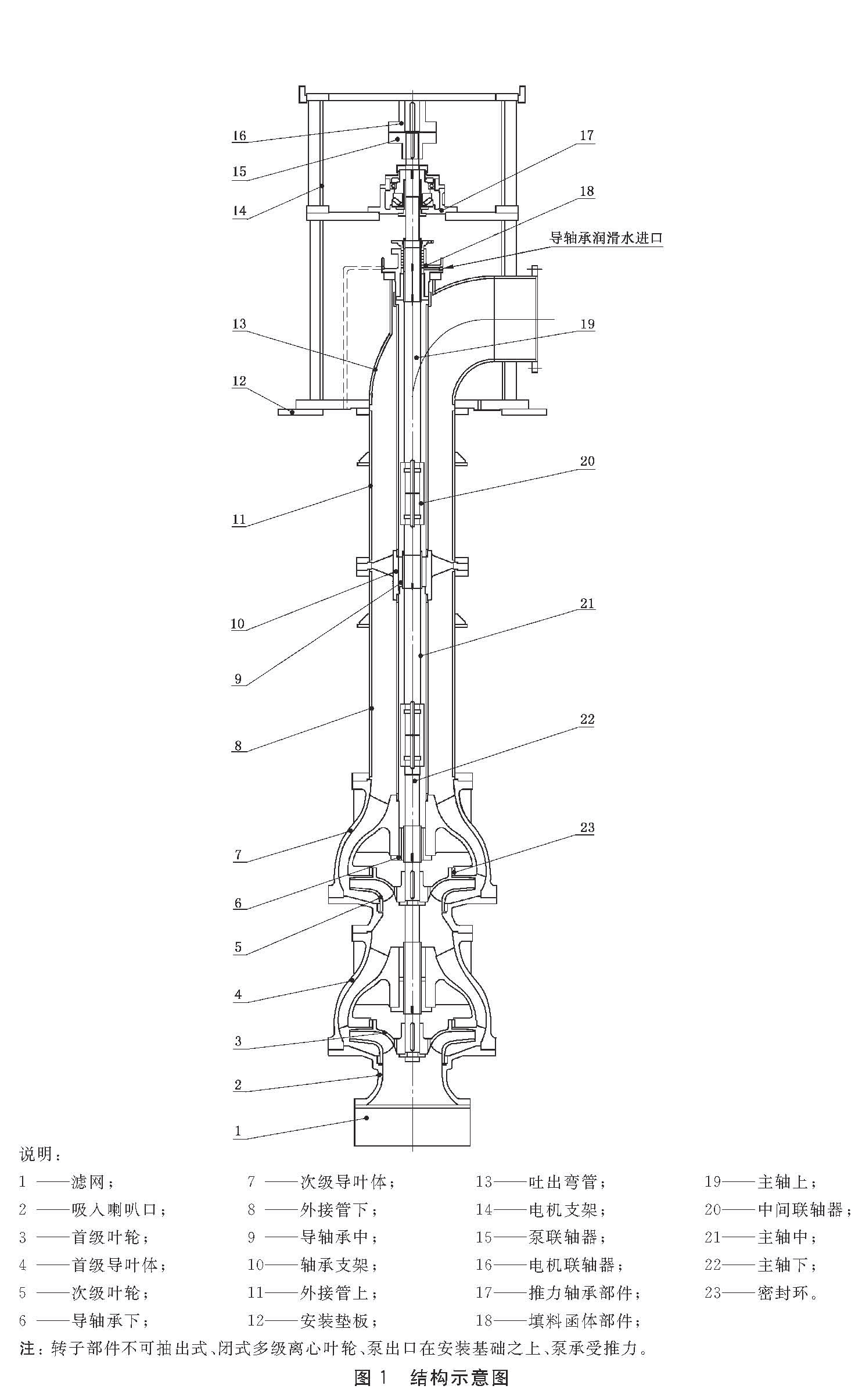
LC型立式长轴涡轮泵结构特点



LC型立式长轴涡轮泵入口垂直向下,出口水平,单基础安装,泵和电机直联;从电机端俯视,泵为逆时针方向旋转,主要特点有:
1、用水力设计软件优化设计,性能优越,并充分考虑了叶轮及导叶的抗磨蚀性,使叶轮等易损件寿命大大提高;产品运行平稳、安全可靠、高效节能。
2、水泵进口装有滤网,开孔大小适当,既有效地防止大颗粒杂质进入泵内损坏水泵,同时又最大限度地减少了进口损失,提高了水泵效率。
3、叶轮采用平衡孔平衡轴向力,叶轮前后盖板均设有可更换的密封环,保护叶轮及泵体。
4、泵中间轴、扬水管和护管为多节,中间接轴采用套筒联轴技术。扬水管数量可根据用户需要增减,适应不同的液下深度。叶轮、导叶体为多级,适应不同的扬程要求。
5、水泵扬水管由法兰连接,中间有导轴承。水泵导轴承采用加强型填充聚四氟乙烯或加拿大赛龙轴承,也可采用丁腈橡胶(用于介质温度高于55℃)。轴由护管保护,输送污水时,导轴承须外接冷却润滑水。
6、泵的残余轴向力和转子部件的重量由电机座内的推力轴承承受或带推力轴承的电机承受。推力轴承用稀油润滑,并外接水进行冷却。推力轴承可埋设温控元件。
7、泵的轴封为填料密封,轴封及导轴承处装有可更换的轴套,以保护轴,叶轮的轴向位置由轴承部件上端或泵联轴器内的调整螺母来调整,十分方便。
8、水泵可配备控制柜,它具有根据液位自动启停和过载报警及实时远程监控等多种功能,可实现多泵联网远程集中控制。口径大于500mm的泵设有自动排气系统。





LC型立式长轴涡轮泵零件材质:

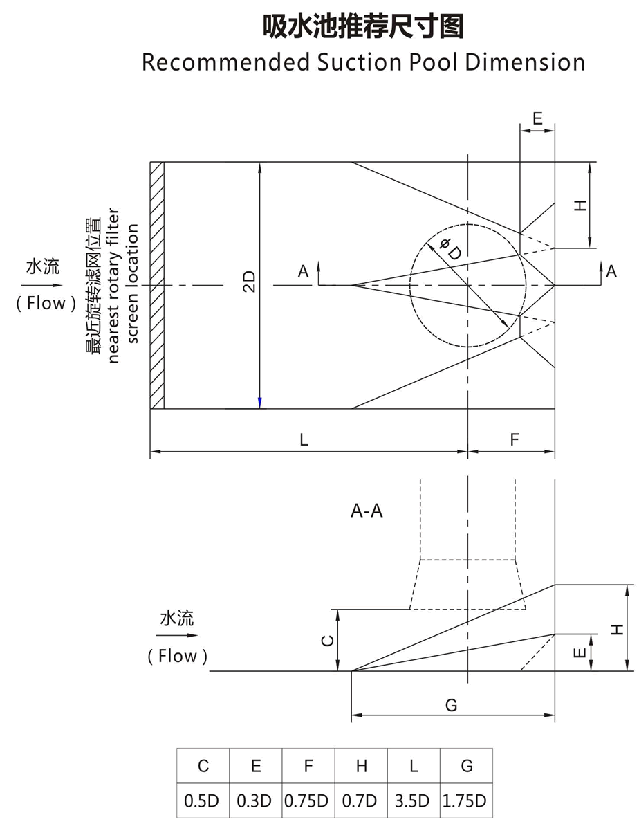
LC型立式长轴涡轮泵吸水池推荐尺寸:

立式长轴涡轮泵最小淹没深度曲线图:

立式长轴涡轮泵橡胶导轴承性能技术要求:

立式长轴涡轮泵运转间隙技术要求:

立式长轴涡轮泵装配技术要求:

立式长轴涡轮泵原动机功率与泵轴功率百分比:

立式长轴涡轮泵最大轴承跨距及临界转速曲线图:

LC系列立式长轴涡轮泵现场生产图片



































